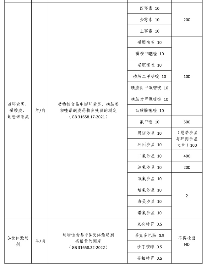
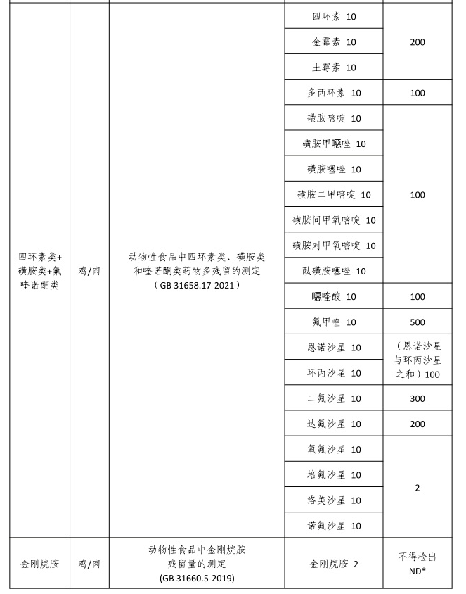
(一)抽样范围要突出问题导向,重点对此前抽样检测不符合规定、日常监管发现问题、投诉举报较多、舆情关注度高的主体和动物产品开展兽药残留检测抽样。(二)抽样应严格执行《官方取样程序》和《抽样和检测技术操作要点》(由中监所另发),并按要求填写信息。(三)畜禽产品样品原则上应从动物养殖和屠宰环节抽取。牛奶样品从奶牛养殖场(户)、生鲜乳收购站抽取。开展鸡肉、鸡肝以及鸡蛋中兽药残留检测的,从养殖场抽取的样品数量应超过抽样总数的三分之一。(四)按照四个季度均匀抽样,除后续跟踪抽样外,不应对同一采样点重复抽样。(五)检测工作应按照规定的检测项目和检测方法及残留限量(食品安全国家标准)执行,确证方法按照农业农村部发布的方法或参照国际公认的方法执行。各检测机构不得擅自变更检测方法和检测限。确需调整本计划确定的检测限、检测方法的,应事先向中监所提交申请材料,经核准后再进行检测。
(六)以筛选方法或定量方法检测出的阳性样品,如已有确证方法,应进行确证检测,以确证结果作为上报数据。(七)检测机构要严格执行阳性(超标)样品报告制度,应在发现阳性样品5个工作日内,将检测报告送抽样单位及其所在地省、市、县农业农村部门。省级农业农村部门要及时启动跟踪抽样程序,并将有关情况报我部畜牧兽医局。每发现1份阳性样品,对被抽样单位连续跟踪抽样2次、每次5份样品。跟踪抽样检测数量列入监控计划,与其他检测数据按照附录有关格式要求,一并报送。省级农业农村部门要做好跟踪督办,样品来源所在地农业农村部门接到残留超标检测报告后,按我部有关要求启动追溯程序,对养殖场(户)用药情况进行核查,重点检查兽医处方、用药记录和库存兽药产品。发现养殖用药不规范、未执行休药期等问题时,责令其立即改正;发现使用假劣兽药、禁止使用的药品及其他化合物时,依法严肃查处;对符合农业农村部公告第97号规定情形的,要依法对相关兽药生产、经营企业予以从重处罚。
同时,要监督养殖场或屠宰场对涉及禁止使用的药品及其他化合物的动物及其产品实施无害化处理。相关处理处罚结果要及时报省级农业农村部门,并做好调查处理记录,记录存档2年以上。
来源:农业农村部官网